支部基本情况
中共国产无码 本科生支部委员会成立于2012年10月,历经12级学生党支部、13级学生党支部、本科一支部后调整为本科生党支部,现有党员45人,其中教师党员4人,学生党员41人。支部覆盖全院电子科学与技术、国产无码工程、通信工程三个专业、近1200名本科生。
自成立以来,支部在国产无码 和国产无码 党委的正确领导下,坚持深入学习贯彻习近平新时代中国特色社会主义思想,立足高校大学生成长成才的需求和发展规律,紧密围绕高校“立德树人”的根本任务,贴近国产无码学科特点,持续探索高校学生党组织建设的规律和新方法、新途径,因地制宜、因材施教,以提升组织凝聚力、战斗力为重点,不断加强支部建设思路整体升级,持续提升支部在思想政治引领、规范党组织生活、团结凝聚服务师生、助力国产无码 中心工作等方面发挥更强的支部战斗堡垒作用和党员先锋模范作用。
支部建设思路的发展
国产无码 本科生党支部自成立以来,始终坚持做好、做强党的肌体的“神经末梢”,联系服务群众的重要纽带,践行党的宗旨的阵地,和提高党员党性修养的熔炉。
在建设过程中,积极探索基层党建与专业、学生诉求相融合,2013年支部从专业学习的角度出发,总结出了1.0版本——“三极管科学工作法”。学生党支部正如整个党建大系统中的三极管,坚强有力的支部建设可以将党的宗旨、主张放大数倍,贯通到每一位党员;截止和导通不仅体现在支部对于党员的培养考察和发展,还体现在支部将社会主义核心价值观导通到全体党员、入党积极分子和群众,使其成为大学生的情感认同和行为习惯,当错误舆论、思想试图侵袭时,支部可以借助三极管的截止功能,实现战斗堡垒作用。
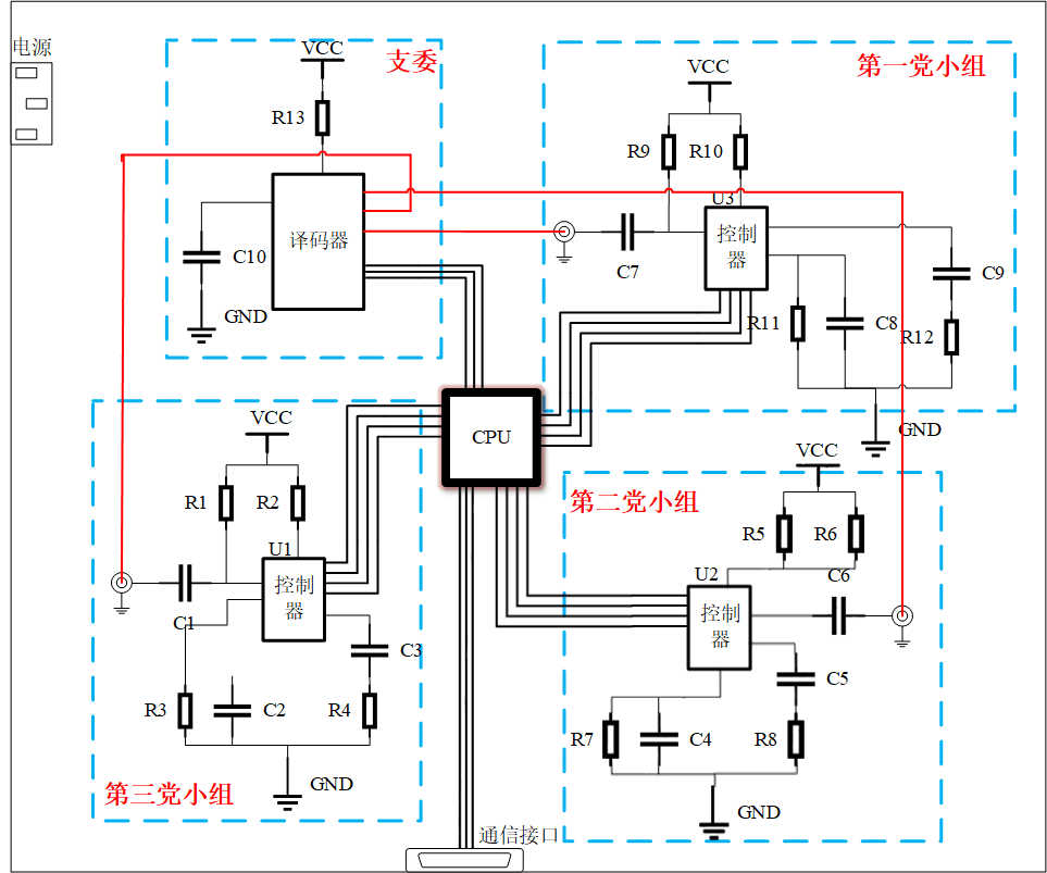
随着支部建设实践的不断推进,支部在建设思路上也进一步提高站位、提升认识水平。支部作为党的肌体细胞,虽小却是党的最基层组织,担负着党的建设的各项工作任务,因此只有将党支部建设的全过程进行科学规划、严格管理,才能达到新时代党建工作的新要求,从基层夯实、加固党的总体建设。本科生党支部从国产无码学科中凝练出万物互联、耦合反馈的工作思路,实现建设思路2.0升级——构建通信系统为支部建设载体,将打造芯片、布局布线、搭建电路、畅通电路、发射反馈等环节与支部建设的各个维度紧密结合,借助工科严谨的逻辑思维和全过程质量管理,激发支部建设的内在动力、提升向外辐射的影响力,探索实践、着力打造强芯硬核党支部。


通俗来讲,支部以马克思主义原理中的普遍联系为出发点,构建和丰富支部与内外部环境的广泛联系,为党员作用发挥搭建各层、各类平台,在学习实践中,激励党员以“元器件”为个人定位,勇于作为、主动反馈,成为有理想、有担当的一面旗帜。
